BM 6 T KNX entrée binaire 6 voies 10 V DC – 240 V AC avec LED

157,64 Sans les taxes €262,73 Sans les taxes
€190,74 Taxes incluses 317,90 Taxes incluses.
Pas en stock dans notre entrepôt, mais disponible sur commande.
Prix unitaire: €157,64 / Article
Entrée binaire 6 voies avec LED d’état par canal, commande manuelle, tension d’entrée 10 V DC – 240 V AC, montage sur rail DIN. Lire plus

Spécifications

Marque:
Theben
Numéro de l'article:
4940230
EAN:
4003468490716
Disponibilité:
Pas en stock dans notre entrepôt, mais disponible sur commande.
Heure de livraison:
Expédié sous environ 10 jours ouvrables (remarque : il s'agit d'une estimation, sous réserve de la disponibilité chez le fabricant ; dans certains cas, l'expédition peut être plus rapide, mais elle peut aussi prendre plus de temps).

Informations

Datasheet

BM 6 T KNX – Entrée binaire 6 voies FIX1

Réf. 4940230

Application

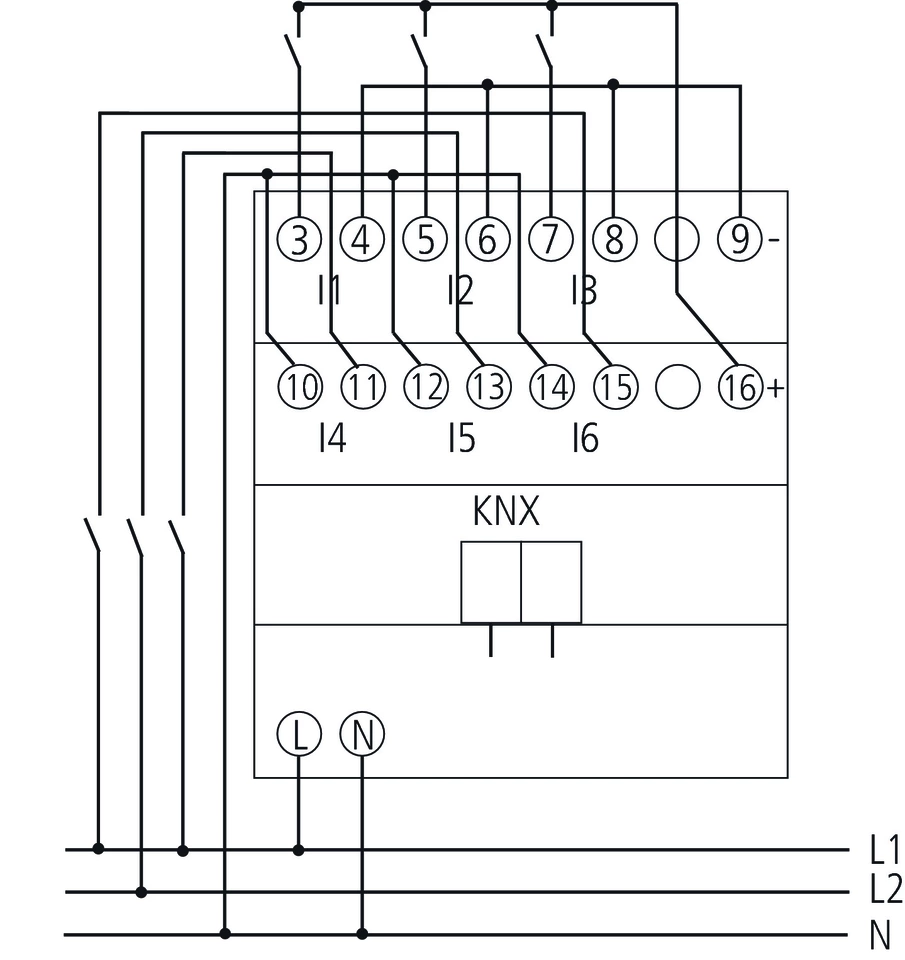
Le BM 6 T KNX est une entrée binaire 6 voies pour les systèmes KNX. Ce module FIX1 convient au montage sur rail DIN et traite des signaux numériques de 10 V DC à 240 V AC. Chaque entrée dispose d’une LED indiquant l’état. La commande manuelle est possible même sans tension de bus.

Fonctions

  • Entrée binaire 6 voies pour signaux de 10 V DC à 240 V AC
  • Affichage LED de l’état pour chaque canal
  • Commande manuelle sur l’appareil, même sans tension KNX
  • Montage sur rail DIN (4 modules)
  • Convient pour contacts secs, interrupteurs et boutons poussoirs
  • Sortie : 12 V DC / 18 mA, SELV
  • Borne KNX standard pour intégration facile

Données techniques

  • Alimentation via bus KNX : ≤ 4 mA
  • Alimentation supplémentaire : 110–240 V AC, 50–60 Hz
  • Fréquence : 50–60 Hz
  • Consommation en veille : ~0,3 W
  • Tension d’entrée : 10 V DC – 240 V AC, 2 mA
  • Nombre d’entrées : 6
  • Sortie : 12 V DC / 18 mA, SELV
  • Affichage : 6 LEDs pour l’état des entrées
  • Compatible SELV : oui, si toutes les entrées reçoivent une tension SELV
  • Longueur max. de câble : 100 m
  • Connexions : borne bus KNX, bornes à vis
  • Section des câbles :
    • Rigide : 0,5 mm² (Ø 0,8 mm) à 6 mm²
    • Souple avec embout : 0,5 mm² à 4 mm²
  • Montage : rail DIN, 4 modules
  • Température ambiante : -5 °C à +45 °C
  • Indice de protection : IP 20
  • Classe de protection : II selon EN 60730-1

Remarques importantes

  • Pour une utilisation SELV, toutes les entrées doivent recevoir une tension SELV.
  • Commande manuelle possible sans tension de bus.
  • Non compatible avec les signaux analogiques – uniquement signaux numériques.
Veuillez accepter les cookies afin de rendre ce site plus fonctionnel. D'accord? Oui Non En savoir plus sur les témoins (cookies) »